SWP-T101 智能萬用溫度變送器SWP-T101-泰州盛達儀表科技有限公司

        咨詢熱線

        當前位置:首頁   >  産品中心   >    >  變送器   >  SWP-T101SWP-T101 智能萬用溫度變送器

        SWP-T101 智能萬用溫度變送器

        簡要描述: SWP-T101 智能萬用溫度變送器特點:
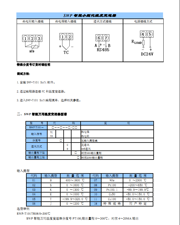
        1 智能化非線性補償,萬能分度号輸入,可匹配所有熱💁🏼‍♀️電阻與熱電偶 。
        2 支持網絡通訊,高精度全數字量傳輸,二線制RS-485接口,可挂1~64點。
        4 使用方便,組态容易。界面友好的溫度設定軟件swp-T101 soft兼容 Windows3.1/3.11/95/98/ME

        • 産品型号: SWP-T101
        • 廠商性質: 生産廠家
        • 更新時間: 2024-05-09
        • 訪  問  量: 1004

        詳細介紹

        我公司生産:鉑铑熱電偶, S 型鉑铑熱電偶, B 型鉑铑熱電偶, WRP-130 熱電偶, B 型熱電偶,單鉑铑熱電偶, WRR-B 型鉑铑熱電偶,雙鉑铑熱電偶, S 分度熱電偶, K 型熱電偶, S 型熱電偶 ,防爆熱電偶,防腐熱電偶,铠裝熱電偶, 熱電偶測溫儀 ,裝配熱電偶, B 分度熱電偶,煙鬥熱電偶, 鋼水測溫儀 ,手持式鋼水測溫儀,手持式熱電偶等

         

        産品咨詢

        留言框

        • 産品:

        • 您的單位:

        • 您的姓名:

        • 聯系電話:

        • 常用郵箱:

        • 省份:

        • 詳細地址:

        • 補充說明:

        • 驗證碼:

          請輸入計算結果(填寫阿拉伯數字),如:三加四=7

        聯系我們

        泰州盛達儀表科技有限公司 公司地址:江蘇省泰州市海陵區工業園   技術支持:儀表網
        • 聯系人:宋工
        • QQ:2335909737
        • 公司傳真:
        • 郵箱:

        掃一掃 更多精彩

        微信二維碼

        網站二維碼