SWP-T101溫度變送器SWP-T101-泰州盛達儀表科技有限公司

    
        
    1. <tr id="mric_xb3_i2vsh1"><kbd id="u6tha_lsrm_gwe57"></kbd></tr>
    2. 咨詢熱線

      當前位置:首頁   >  産品中心   >    >  變送器   >  SWP-T101SWP-T101溫度變送器

      SWP-T101溫度變送器

      簡要描述: SWP-T101溫度變送器:主要特點智能化非線性補償,萬能分度号輸入,可👯🏾‍♂️匹配所有熱電阻與熱電偶 。 全新概念🙂‍↕️計算機數字自動調校,*全開放用戶設定界面。 支持網絡通訊,高精度全數字量傳輸,二線制RS-485接口,可挂1~64點。 使用方便,組态容易。界面友好的溫度設定軟件🏊🏾‍♀️swp-T101soft兼容Windows3.1/3.11/95/98/ME 具有*的性價比,價格相當于模拟式變送器。

      • 産品型号: SWP-T101
      • 廠商性質: 生産廠家
      • 更新時間: 2024-05-09
      • 訪  問  量: 887

      詳細介紹

      主要特點
      ● 智能化非線性補償,萬能分度号輸入,可匹配所有熱電🧑🏾‍🎄阻👌與熱電偶 。
      ● 全新概念計算機數字自動調校,*全開放用戶設定界面。
      ● 支持網絡通訊,高精度全數字量傳輸,二線制RS-485接口,可🧜🏼‍♂️挂1~64點☠️。
      ● 使用方便,組态容易。界面友好的溫度設定軟件swp-T101soft兼容Windows3.1/3.11/95/98/ME
      ● 具有冷端補償(T/C輸入時), 可應用于各種惡劣環境-25~70℃。
      ● 具有*的性價比,價格相當于模拟式變送器。
      主要技術指标
      輸入信号 RTD : PT100、PT100.0、CU50、CU100
      T/C : B、S、K、E、J、T、WRe
      精 度 RTD ±0.2%FS
      T/C ±0.3%FS
      供電電壓 8~36VDC
      分 辨 率 5μA

      極限輸出信号 zui小:3.8 mA zui大:20.5mA

      環境溫度 -40~85℃

      工作溫度 -40~85℃

      濕 度 0~95%RH,不冷凝

      溫 漂 ≤±0.25℃/25℃

      穩 定 性 0.2%/年

      阻 抗 ≥10MΩ

      重 量 50g

      安裝方式 接線盒安裝

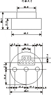
      送變送器外觀及尺寸

      接線方式

      熱電阻輸入接線

      熱電偶輸入接線

      通訊方式接線

      二線制接線方式

      特殊分度号訂貨時請注明
      調試方法
      1.安裝SWP-T101 Soft軟件。
      2.通過編程器連接PC和溫度變送器。
      3.進入SWP-T101 Soft編程菜單,選擇相關參數。
      SWP智能萬用溫度變送器型譜

      型号

      代      碼

      說        明

      SWP T101-

           □□    □ / □     □

       

      輸入信号

      TC

      TR

           

       

       

      熱電偶

      熱電阻

      分度号

      0

      8

       

      見輸入類型表

      通訊方式

           

      見通訊

      485通訊

       

       

      輸出量程下限

         

      對應4MA輸出量程

      輸出量程上限

      對應20MA輸入量程

      輸入類型

      代碼

      輸入類型

      測量範圍

      代碼

      輸入類型

      測量範圍

      01

      B

      400 ~1800

      07

      WRe

      0~2300

      02

      S

      0 ~1600

      08

      pt100

      200~650

      03

      K

      0~1300

      09

      pt100.1

      -99.9~199.9

      04

      E

      0~1000

      10

      cu50

      -50.0~150.0

      05

      T

      -199.9~320.0

      11

      cu100

      -50.0~150.0

      06

      J

      0~1200

      18

      特殊規格

      用戶特定

      造型舉例
      SWP-T101TR08/0~300℃
      SWP智能萬用溫度變送器分度号PT100,輸出量程0~300℃,對應4~20MA輸出

      我公司生産:鉑铑熱電偶, S 型鉑铑熱電偶, B 型鉑铑熱電偶, WRP-130 熱電偶, B 型熱電偶,單鉑铑熱電偶, WRR-B 型鉑铑熱電偶,雙鉑铑熱電偶, S 分度熱電偶, K 型熱電偶, S 型熱電偶 ,防爆熱電偶,防腐熱電偶,铠裝熱電偶, 熱電偶測溫儀 ,裝配熱電偶, B 分度熱電偶,煙鬥熱電偶, 鋼水測溫儀 ,手持式鋼水測溫儀,手持式熱電偶等

       

       

      産品咨詢

      留言框

      • 産品:

      • 您的單位:

      • 您的姓名:

      • 聯系電話:

      • 常用郵箱:

      • 省份:

      • 詳細地址:

      • 補充說明:

      • 驗證碼:

        請輸入計算結果(填寫阿拉伯數字),如:三加四=7

      聯系我們

      泰州盛達儀表科技有限公司 公司地址:江蘇省泰州市海陵區工業園   技術支持:儀表網
      • 聯系人:宋工
      • QQ:2335909737
      • 公司傳真:
      • 郵箱:

      掃一掃 更多精彩

      微信二維碼

      網站二維碼

      
          
      1. <tr id="mric_xb3_i2vsh1"><kbd id="u6tha_lsrm_gwe57"></kbd></tr>