歡迎來到泰州盛達儀表科技有限公司網站!



詳細介紹
| 供應固定法蘭防暴熱電阻的詳細資料: |
固定法蘭防暴熱電阻應用 通常和顯示儀表、記錄儀表、電子計算等配套使用。直接測量😁生👋産現場存在碳氫化合物等爆炸物的0°C~1300°C範圍内液體、蒸汽和氣體介質以及固體表面溫度。 固定法蘭防暴熱電阻主要技術參數
産品執行标準 固定法蘭防暴熱電阻常溫絕緣電阻 熱電阻在環境溫度爲15—35°C,相對濕度不大于80%,試驗電壓爲10—100V(直流🧜🏼♀️)電極與外套管之間的絕緣電阻>100MΩ。 固定法蘭防暴熱電阻取證一覽表
固定法蘭防暴熱電阻測量範圍及允差
固定法蘭防暴熱電阻防爆分組形式
固定法蘭防暴熱電阻電氣設備類型 I類------煤礦井下用電氣設備 II類-----工廠用電氣設備 固定法蘭防暴熱電阻防爆等級 防爆熱電偶的防爆等級按其使用于爆炸性氣體💘混合物zui大安全間隙分爲A B C三級。
固定法蘭防暴熱電阻規格型号
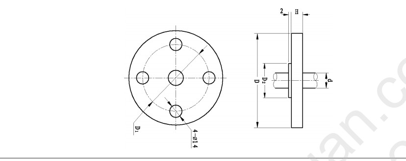
法蘭尺寸
| |||||||||||||||||||||||||||||||||||||||||||||||||||||||||||||||||||||||||||||||||||||||||||||||||
産品咨詢
掃一掃 更多精彩
微信二維碼
網站二維碼